Перейти к содержимому
Радиомастер инфо
Сайт о технике и электронике
Меню
Главная
Карта сайта
Обучение
Уроки
Тесты
Полезно знать
Термины
Статьи
Эксплуатация автомобилей
Независимая энергетика
Разное
Мастерская
О проекте
Контакты
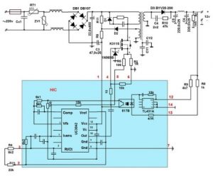
shema-m
1 комментарий к “shema-m”
Премного благодарен!!!
Оставьте комментарий
Отменить ответ
Комментарий
Имя
Email
Сайт
Прокрутка вверх
Премного благодарен!!!